г. Екатеринбург, ул.Волгоградская, 193, офис 408 (4 этаж)
Пн-Пт: 09:00 - 18:00
Заказать звонок

SNCD230

Наличие: Под заказ

Цена по запросу


Технические характеристики

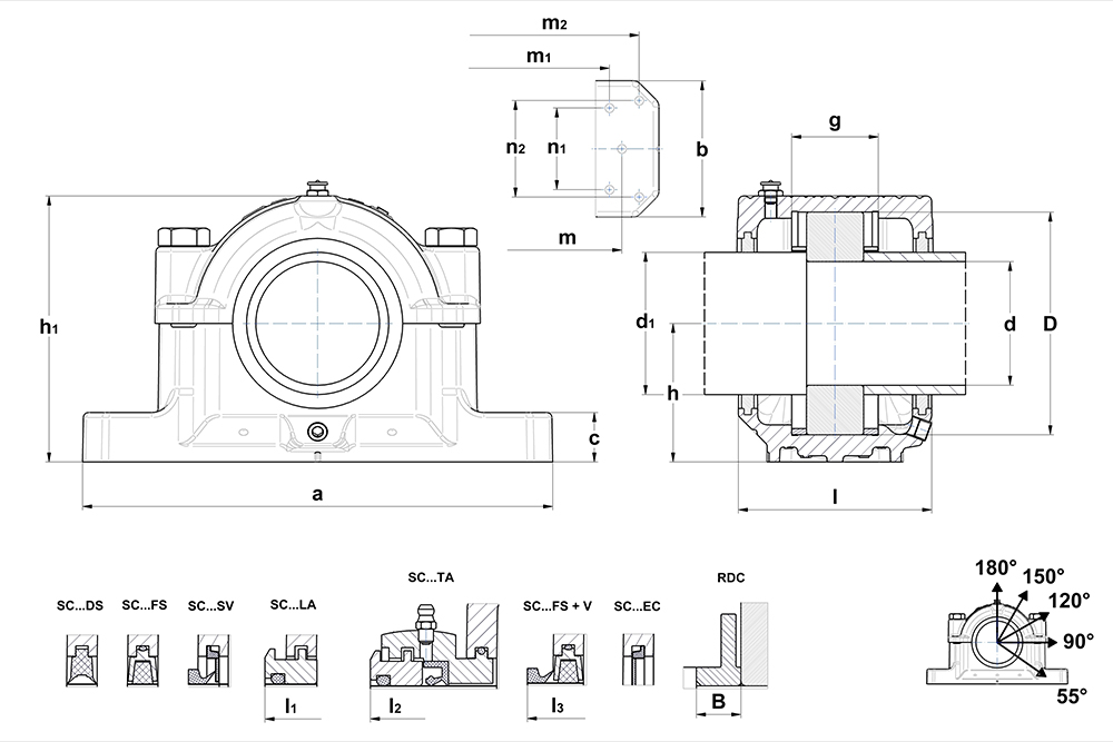
a
530 мм
C
60 мм
D1
35 мм
d1
165 мм
d2
26 мм
G
106 мм
h
160 мм
h1
323 мм
l
220 мм
l1
236 мм
l2
300 мм
l3
256
m
450 мм
m1
430 мм
m2
486 мм
m3
352 мм
N1
100 мм
n2
116 мм
P 0°
252 000 даН
P 120°
97 200 даН
P 150°
86 400 даН
P 180°
108 000 даН
P 55°
216 000 даН
SNCD230-530
22230
Габариты (мм)_d
150
диаметр штифта
8 мм
Изначальное количество смазки
2 500 ccm
Исполнение с V-образным кольцом
V170A
Используемые подшипники_Подшипник
23230
Материал корпуса
Ковкая сталь
Подшипник
23230
Смазывание
Смазка
Торцевая крышка EC
SC230-530EC
уплотнение DS
SC 230 DS
уплотнение FS
SC 230 FS
уплотнение LA
SC 230 LA
уплотнение SV
SC 230 SV
уплотнение TA
SC 230 TA
B
35 мм
D
270 мм
b
160 мм
d
150 мм

Оплата заказа

Оплата осуществляется безналичным путем на основании выставленного счета.


Доставка товара

По России доставка в основном осуществляется ТЭК Деловые Линии. Доставка товара до склада ТЭК Деловые Линии в г Екатеринбург осуществляется за счет ООО «ТопМеханикс».

Похожие товары