г. Екатеринбург, ул.Волгоградская, 193, офис 408 (4 этаж)
Пн-Пт: 09:00 - 18:00
Заказать звонок

SNCD317

Наличие: Под заказ

Цена по запросу


Технические характеристики

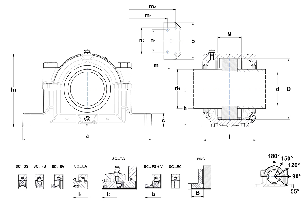
a
380 мм
C
40 мм
D1
26 мм
d1
95 мм
d2
18 мм
G
70 мм
h
112 мм
h1
215 мм
l
160 мм
l1
174 мм
l2
238 мм
l3
187
m
320 мм
m1
300 мм
m2
348 мм
m3
250 мм
N1
66 мм
n2
78 мм
P 0°
135 000 даН
P 120°
50 400 даН
P 150°
45 000 даН
P 180°
57 600 даН
P 55°
113 400 даН
SNCD520-617
1317
вес корпуса
19,7 кг
Габариты (мм)_d
85
диаметр штифта
8 мм
Изначальное количество смазки
900 ccm
Исполнение с V-образным кольцом
V95A
Используемые подшипники_Подшипник
22317
Масса (кг)
19,7
Материал корпуса
Ковкая сталь
Подшипник
22317
Смазывание
Смазка
Торцевая крышка EC
SC520-617EC
уплотнение DS
SC 317 DS
уплотнение FS
SC 317 FS
уплотнение LA
SC 317 LA
уплотнение SV
SC 317 SV
уплотнение TA
SC 317 TA
B
18 мм
D
180 мм
b
110 мм
d
85 мм

Оплата заказа

Оплата осуществляется безналичным путем на основании выставленного счета.


Доставка товара

По России доставка в основном осуществляется ТЭК Деловые Линии. Доставка товара до склада ТЭК Деловые Линии в г Екатеринбург осуществляется за счет ООО «ТопМеханикс».

Похожие товары