г. Екатеринбург, ул.Волгоградская, 193, офис 408 (4 этаж)
Пн-Пт: 09:00 - 18:00
Заказать звонок

SNCD530

Наличие: Под заказ

Цена по запросу


Технические характеристики

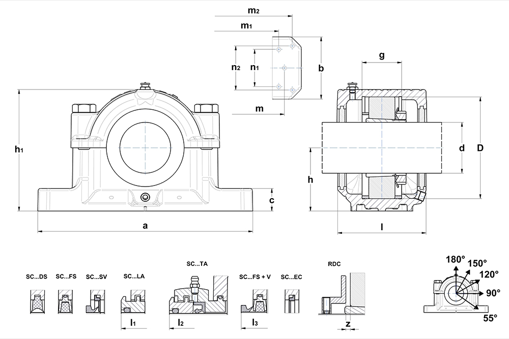
a
530 мм
C
60 мм
G
106 мм
h
160 мм
h1
323 мм
l
220 мм
l1
236 мм
l2
301 мм
l3
251
m
450 мм
m1
430 мм
m2
486 мм
m3
352 мм
N1
100 мм
n2
116 мм
P 0°
140 000 даН
P 120°
54 000 даН
P 150°
48 000 даН
P 180°
60 000 даН
P 55°
120 000 даН
SNC230-530
22230K
u
35 мм
v
42 мм
вес корпуса
55,2 кг
Габариты (мм)_d
135
диаметр штифта
8 мм
Изначальное количество смазки
2 500 ccm
Исполнение с V-образным кольцом
V140A
Используемые подшипники_Подшипник
23230K
максимальная нагрузка 120°
36 000 даН
максимальная нагрузка 150°
21 000 даН
максимальная нагрузка 180°
18 000 даН
Масса (кг)
55,2
Материал корпуса
Серый чугун
Подшипник
23230K
рекомендованное усилие для соединительных болтов
500 N*m
рекомендованное усилие для фиксирующих болтов
1 005 N*m
Смазывание
Смазка
Соединительные болты
M24x150
Торцевая крышка EC
SC230-530EC
уплотнение DS
SC 530 DS
уплотнение FS
SC 530 FS
уплотнение LA
SC 530 LA
уплотнение SV
SC 530 SV
уплотнение TA
SC 530 TA
Фиксирующие болты (G)
M30
D
270 мм
b
160 мм
d
135 мм

Оплата заказа

Оплата осуществляется безналичным путем на основании выставленного счета.


Доставка товара

По России доставка в основном осуществляется ТЭК Деловые Линии. Доставка товара до склада ТЭК Деловые Линии в г Екатеринбург осуществляется за счет ООО «ТопМеханикс».

Похожие товары