г. Екатеринбург, ул.Волгоградская, 193, офис 408 (4 этаж)
Пн-Пт: 09:00 - 18:00
Заказать звонок

SNCD532

Наличие: Под заказ

Цена по запросу


Технические характеристики

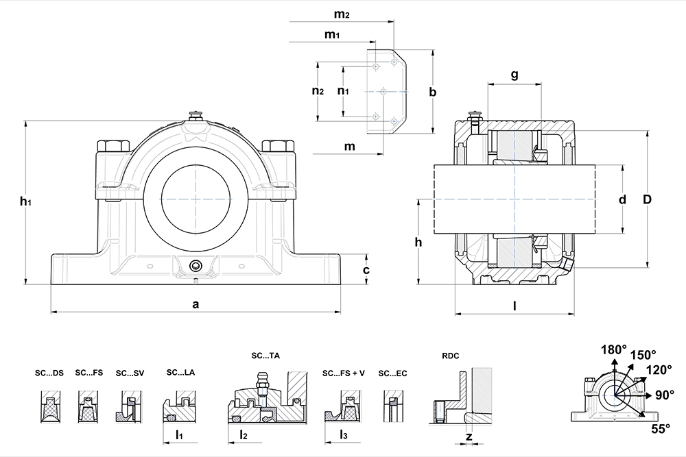
a
550 мм
C
60 мм
G
114 мм
h
170 мм
h1
344 мм
l
235 мм
l1
254 мм
l2
319 мм
l3
266
m
470 мм
m1
450 мм
m2
506 мм
m3
372 мм
N1
100 мм
n2
116 мм
P 0°
170 000 даН
P 120°
64 000 даН
P 150°
57 000 даН
P 180°
73 000 даН
P 55°
145 000 даН
SNC232-532
22232K
u
35 мм
v
42 мм
вес корпуса
63 кг
Габариты (мм)_d
140
диаметр штифта
8 мм
Изначальное количество смазки
3 000 ccm
Исполнение с V-образным кольцом
V140A
Используемые подшипники_Подшипник
23232K
максимальная нагрузка 120°
73 000 даН
максимальная нагрузка 150°
53 200 даН
максимальная нагрузка 180°
36 000 даН
Масса (кг)
63
Материал корпуса
Серый чугун
Подшипник
23232K
рекомендованное усилие для соединительных болтов
1 005 N*m
рекомендованное усилие для фиксирующих болтов
1 005 N*m
Смазывание
Смазка
Соединительные болты
M30x160
Торцевая крышка EC
SC232-532EC
уплотнение DS
SC 532 DS
уплотнение FS
SC 532 FS
уплотнение LA
SC 532 LA
уплотнение SV
SC 532 SV
уплотнение TA
SC 532 TA
Фиксирующие болты (G)
M30
D
290 мм
b
160 мм
d
140 мм

Оплата заказа

Оплата осуществляется безналичным путем на основании выставленного счета.


Доставка товара

По России доставка в основном осуществляется ТЭК Деловые Линии. Доставка товара до склада ТЭК Деловые Линии в г Екатеринбург осуществляется за счет ООО «ТопМеханикс».

Похожие товары