г. Екатеринбург, ул.Волгоградская, 193, офис 408 (4 этаж)
Пн-Пт: 09:00 - 18:00
Заказать звонок

SNOE218DCAL

Наличие: Под заказ

Цена по запросу


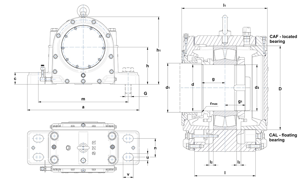
Технические характеристики

22218
KM 18
a
410 мм
C
48 мм
d1
95 мм
D3
M90x2
G
61 мм
g1
40 мм
h
135 мм
h1
245 мм
l
160 мм
l1
229 мм
l2
10 мм
m
340 мм
n
80 мм
r max
1 мм
u
25 мм
v
35 мм
вес корпуса
47 кг
Габариты (мм)_d
90
Количество масла
1,5 см³
Масса (кг)
47
Материал корпуса
Ковкая сталь
рекомендованное усилие для соединительных болтов
130 N*m
рекомендованное усилие для фиксирующих болтов
260 N*m
Рым-болты
M12
Смазывание
Масло
Соединительные болты
M16
Уровень масла
45 мм
Фиксирующие болты (G)
M20
D
160 мм
b
150 мм
d
90 мм

Оплата заказа

Оплата осуществляется безналичным путем на основании выставленного счета.


Доставка товара

По России доставка в основном осуществляется ТЭК Деловые Линии. Доставка товара до склада ТЭК Деловые Линии в г Екатеринбург осуществляется за счет ООО «ТопМеханикс».

Похожие товары