г. Екатеринбург, ул.Волгоградская, 193, офис 408 (4 этаж)
Пн-Пт: 09:00 - 18:00
Заказать звонок

DLG 315 AD

Наличие: Под заказ

Цена по запросу


Технические характеристики

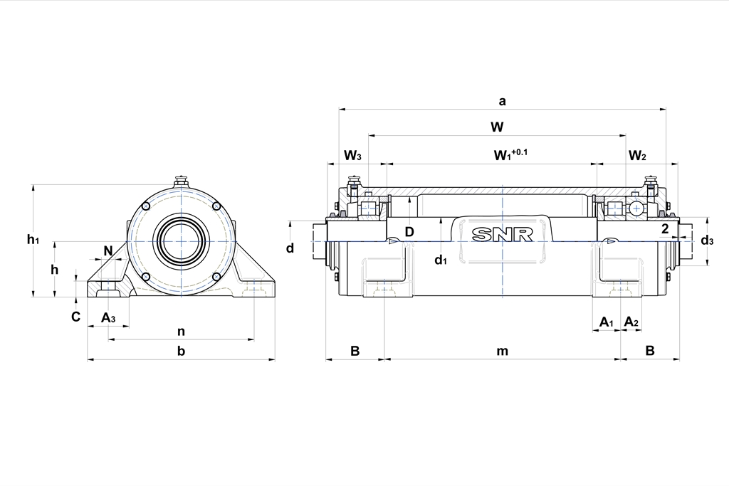
a
553 мм
A1
45 мм
A2
35 мм
A3
70 мм
C
28 мм
d1
90 мм
D3
90 мм
h
100 мм
h1
200 мм
m
400 мм
n
260 мм
NU 315 EG15 C3
NU 315 EG15 C3 + 6315 C3
W
438,5 мм
W1
359 мм
W2
130,5 мм
W3
93,5 мм
Болты крышки
M8x25
вес корпуса
47 кг
Габариты (мм)_d
75
Используемые подшипники_Подшипник
NU 315 EG15 C3 + 6315C3
Масса (кг)
47
Материал корпуса
Серый чугун
Подшипник
NU 315 EG15 C3 + 6315C3
рекомендованное усилие для болтов крышек
17 N*m
рекомендованное усилие для фиксирующих болтов
150 N*m
Смазывание
Смазка
Фиксирующие болты (G)
M16
B
91,5 мм
D
160 мм
b
330 мм
d
75 мм

Оплата заказа

Оплата осуществляется безналичным путем на основании выставленного счета.


Доставка товара

По России доставка в основном осуществляется ТЭК Деловые Линии. Доставка товара до склада ТЭК Деловые Линии в г Екатеринбург осуществляется за счет ООО «ТопМеханикс».

Похожие товары