г. Екатеринбург, ул.Волгоградская, 193, офис 408 (4 этаж)
Пн-Пт: 09:00 - 18:00
Заказать звонок

SNCD222

Наличие: Под заказ

Цена по запросу


Технические характеристики

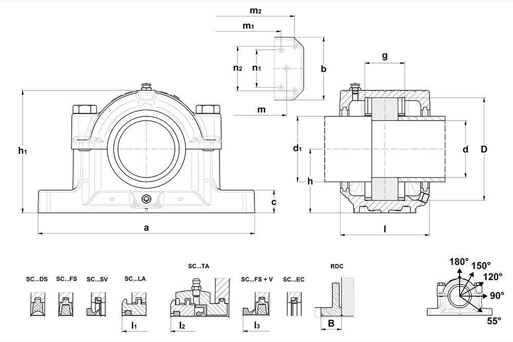
a
410 мм
C
45 мм
D1
26 мм
d1
125 мм
d2
18 мм
G
80 мм
h
125 мм
h1
242 мм
l
175 мм
l1
193 мм
l2
249 мм
l3
206
m
350 мм
m1
320 мм
m2
378 мм
m3
282 мм
N1
74 мм
n2
88 мм
P 0°
171 000 даН
P 120°
63 900 даН
P 150°
57 600 даН
P 180°
72 000 даН
P 55°
144 000 даН
SNCD522-619
1222
вес корпуса
26 кг
Габариты (мм)_d
110
диаметр штифта
8 мм
Изначальное количество смазки
1 200 ccm
Исполнение с V-образным кольцом
V130A
Используемые подшипники_Подшипник
23222
Масса (кг)
26
Материал корпуса
Ковкая сталь
Подшипник
23222
Смазывание
Смазка
Торцевая крышка EC
SC522-619EC
уплотнение DS
SC 222 DS
уплотнение FS
SC 222 FS
уплотнение LA
SC 222 LA
уплотнение SV
SC 222 SV
уплотнение TA
SC 222 TA
B
22 мм
D
200 мм
b
120 мм
d
110 мм

Оплата заказа

Оплата осуществляется безналичным путем на основании выставленного счета.


Доставка товара

По России доставка в основном осуществляется ТЭК Деловые Линии. Доставка товара до склада ТЭК Деловые Линии в г Екатеринбург осуществляется за счет ООО «ТопМеханикс».

Похожие товары