г. Екатеринбург, ул.Волгоградская, 193, офис 408 (4 этаж)
Пн-Пт: 09:00 - 18:00
Заказать звонок

DLG 317 AF

Наличие: Под заказ

Цена по запросу


Технические характеристики

6317 C3
2x 7317 BG
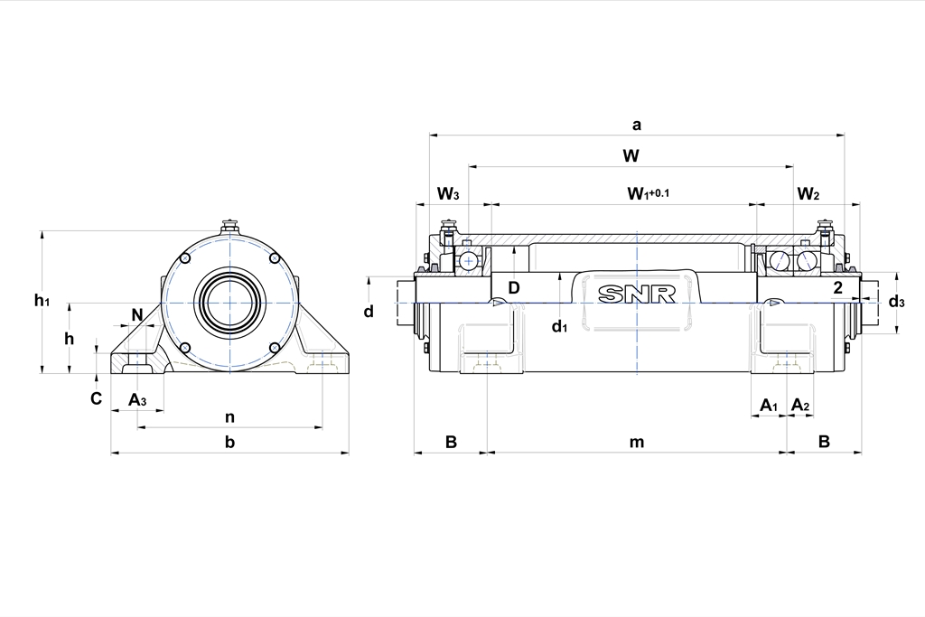
a
593 мм
A1
50 мм
A2
40 мм
A3
70 мм
C
30 мм
d1
100 мм
D3
100 мм
h
112 мм
h1
225 мм
m
440 мм
n
290 мм
W
466,5 мм
W1
383 мм
W2
139,5 мм
W3
101 мм
Болты крышки
M8x25
вес корпуса
64 кг
Габариты (мм)_d
85
Используемые подшипники_Подшипник
2x 7317 BG
Масса (кг)
64
Материал корпуса
Серый чугун
Подшипник
2x 7317 BG
рекомендованное усилие для болтов крышек
17 N*m
рекомендованное усилие для фиксирующих болтов
150 N*m
Смазывание
Смазка
Фиксирующие болты (G)
M16
B
92 мм
D
180 мм
b
350 мм
d
85 мм

Оплата заказа

Оплата осуществляется безналичным путем на основании выставленного счета.


Доставка товара

По России доставка в основном осуществляется ТЭК Деловые Линии. Доставка товара до склада ТЭК Деловые Линии в г Екатеринбург осуществляется за счет ООО «ТопМеханикс».

Похожие товары