г. Екатеринбург, ул.Волгоградская, 193, офис 408 (4 этаж)
Пн-Пт: 09:00 - 18:00
Заказать звонок

ZLOE.220/1A

Наличие: Под заказ

Цена по запросу


Технические характеристики

6220 C3
6220 C3
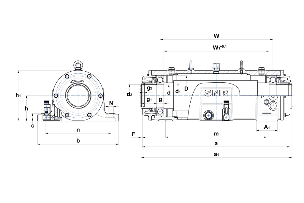
a
645 мм
A1
657,5 мм
C
30 мм
d1
115 мм
d2
98 мм
F
5 мм
G
32 мм
g1
58 мм
g2
6 мм
h
112 мм
h1
227 мм
m
440 мм
n
290 мм
W
491,5 мм
W1
457,5 мм
Болты крышки
M10x30
вес корпуса
80 кг
Габариты (мм)_d
100
Используемые подшипники_Подшипник
6220 C3
Количество масла
1,3 см³
Масса (кг)
80
Материал корпуса
Серый чугун
Подшипник
6220 C3
рекомендованное усилие для болтов крышек
35 N*m
рекомендованное усилие для фиксирующих болтов
150 N*m
Смазывание
Масло
Уровень масла
36 мм
Фиксирующие болты (G)
M16
D
180 мм
b
350 мм
d
100 мм

Оплата заказа

Оплата осуществляется безналичным путем на основании выставленного счета.


Доставка товара

По России доставка в основном осуществляется ТЭК Деловые Линии. Доставка товара до склада ТЭК Деловые Линии в г Екатеринбург осуществляется за счет ООО «ТопМеханикс».

Похожие товары