г. Екатеринбург, ул.Волгоградская, 193, офис 408 (4 этаж)
Пн-Пт: 09:00 - 18:00
Заказать звонок

SNOE230DCBL

Наличие: Под заказ

Цена по запросу


Технические характеристики

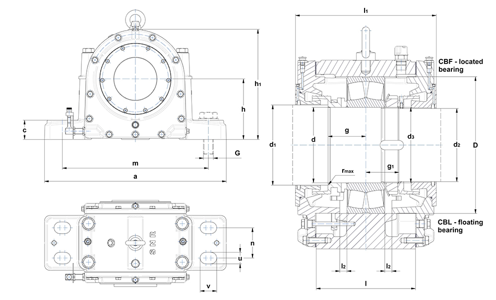
22230
KM 30
a
660 мм
C
70 мм
d1
156 мм
d2
147 мм
D3
M150x2
G
82 мм
g1
64 мм
h
220 мм
h1
400 мм
l
200 мм
l1
283 мм
l2
14 мм
m
530 мм
n
100 мм
r max
1,6 мм
u
42 мм
v
60 мм
вес корпуса
120 кг
Габариты (мм)_d
150
Количество масла
4,2 см³
Масса (кг)
120
Материал корпуса
Ковкая сталь
рекомендованное усилие для соединительных болтов
440 N*m
рекомендованное усилие для фиксирующих болтов
1 520 N*m
Рым-болты
M20
Смазывание
Масло
Соединительные болты
M24
Уровень масла
65 мм
Фиксирующие болты (G)
M36
D
270 мм
b
190 мм
d
150 мм

Оплата заказа

Оплата осуществляется безналичным путем на основании выставленного счета.


Доставка товара

По России доставка в основном осуществляется ТЭК Деловые Линии. Доставка товара до склада ТЭК Деловые Линии в г Екатеринбург осуществляется за счет ООО «ТопМеханикс».

Похожие товары