г. Екатеринбург, ул.Волгоградская, 193, офис 408 (4 этаж)
Пн-Пт: 09:00 - 18:00
Заказать звонок

DLG 318 AF

Наличие: Под заказ

Цена по запросу


Технические характеристики

6318 C3
2x 7318 BG
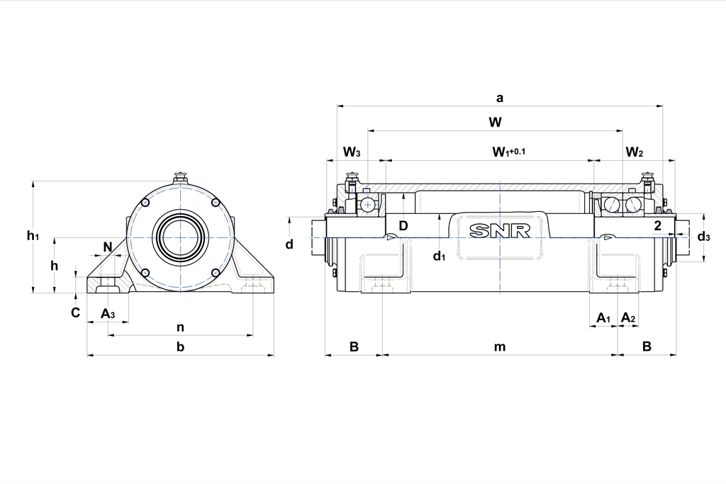
a
599 мм
A1
55 мм
A2
45 мм
A3
70 мм
C
30 мм
d1
105 мм
D3
110 мм
h
112 мм
h1
230 мм
m
460 мм
n
290 мм
W
471 мм
W1
384,5 мм
W2
144,5 мм
W3
104,5 мм
Болты крышки
M8x25
вес корпуса
71 кг
Габариты (мм)_d
90
Используемые подшипники_Подшипник
2x 7318 BG
Масса (кг)
71
Материал корпуса
Серый чугун
Подшипник
2x 7318 BG
рекомендованное усилие для болтов крышек
17 N*m
рекомендованное усилие для фиксирующих болтов
150 N*m
Смазывание
Смазка
Фиксирующие болты (G)
M16
B
87 мм
D
190 мм
b
350 мм
d
90 мм

Оплата заказа

Оплата осуществляется безналичным путем на основании выставленного счета.


Доставка товара

По России доставка в основном осуществляется ТЭК Деловые Линии. Доставка товара до склада ТЭК Деловые Линии в г Екатеринбург осуществляется за счет ООО «ТопМеханикс».

Похожие товары