г. Екатеринбург, ул.Волгоградская, 193, офис 408 (4 этаж)
Пн-Пт: 09:00 - 18:00
Заказать звонок

ZLG.319.AC

Наличие: Под заказ

Цена по запросу


Технические характеристики

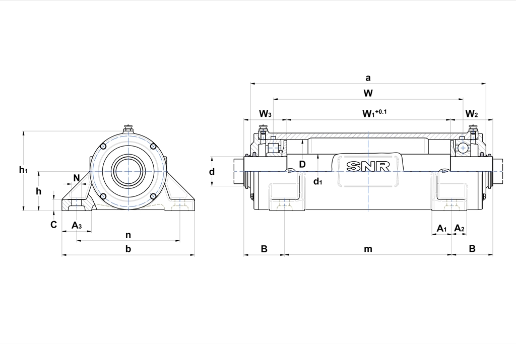
a
633 мм
A1
60 мм
A2
50 мм
A3
90 мм
C
35 мм
d1
110 мм
h
125 мм
h1
248 мм
m
480 мм
n
320 мм
O-образное кольцо (опционально)
200x7
W
511,5 мм
W1
442 мм
W2
110,5 мм
Болты крышки
M8x25
вес корпуса
82 кг
Габариты (мм)_d
95
Изначальное количество смазки для каждой стороны
734 ccm
Масса (кг)
82
Материал корпуса
Серый чугун
рекомендованное усилие для болтов крышек
17 N*m
рекомендованное усилие для фиксирующих болтов
290 N*m
Смазывание
Смазка
Фиксирующие болты (G)
M20
B
92 мм
D
200 мм
b
400 мм
d
95 мм

Оплата заказа

Оплата осуществляется безналичным путем на основании выставленного счета.


Доставка товара

По России доставка в основном осуществляется ТЭК Деловые Линии. Доставка товара до склада ТЭК Деловые Линии в г Екатеринбург осуществляется за счет ООО «ТопМеханикс».

Похожие товары