г. Екатеринбург, ул.Волгоградская, 193, офис 408 (4 этаж)
Пн-Пт: 09:00 - 18:00
Заказать звонок

DLG 320 AF

Наличие: Под заказ

Цена по запросу


Технические характеристики

6320 C3
2x 7320 BG
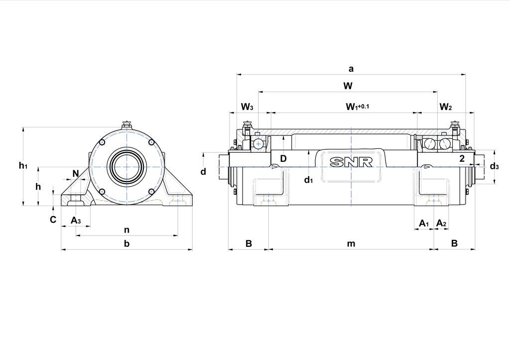
a
657 мм
A1
60 мм
A2
50 мм
A3
80 мм
C
40 мм
d1
115 мм
D3
120 мм
h
130 мм
h1
264 мм
m
500 мм
n
320 мм
W
522 мм
W1
428,5 мм
W2
153 мм
W3
109,5 мм
Болты крышки
M8x25
вес корпуса
93 кг
Габариты (мм)_d
100
Используемые подшипники_Подшипник
2x 7320 BG
Масса (кг)
93
Материал корпуса
Серый чугун
Подшипник
2x 7320 BG
рекомендованное усилие для болтов крышек
17 N*m
рекомендованное усилие для фиксирующих болтов
290 N*m
Смазывание
Смазка
Фиксирующие болты (G)
M20
B
95,5 мм
D
215 мм
b
400 мм
d
100 мм

Оплата заказа

Оплата осуществляется безналичным путем на основании выставленного счета.


Доставка товара

По России доставка в основном осуществляется ТЭК Деловые Линии. Доставка товара до склада ТЭК Деловые Линии в г Екатеринбург осуществляется за счет ООО «ТопМеханикс».

Похожие товары