г. Екатеринбург, ул.Волгоградская, 193, офис 408 (4 этаж)
Пн-Пт: 09:00 - 18:00
Заказать звонок

DLG 314 AE

Наличие: Под заказ

Цена по запросу


Технические характеристики

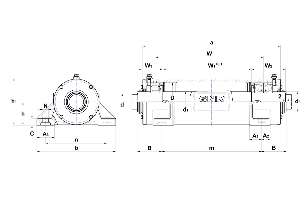
a
517 мм
A1
45 мм
A2
35 мм
A3
60 мм
C
25 мм
d1
80 мм
D3
80 мм
h
95 мм
h1
190 мм
m
380 мм
n
230 мм
NU 314 EG15 C4
2x 7314 BG
W
408,5 мм
W1
334 мм
W2
124 мм
W3
89 мм
Болты крышки
M8x25
вес корпуса
37 кг
Габариты (мм)_d
70
Используемые подшипники_Подшипник
2x 7314 BG
Масса (кг)
37
Материал корпуса
Серый чугун
Подшипник
2x 7314 BG
рекомендованное усилие для болтов крышек
17 N*m
рекомендованное усилие для фиксирующих болтов
150 N*m
Смазывание
Смазка
Фиксирующие болты (G)
M16
B
83,5 мм
D
150 мм
b
290 мм
d
70 мм

Оплата заказа

Оплата осуществляется безналичным путем на основании выставленного счета.


Доставка товара

По России доставка в основном осуществляется ТЭК Деловые Линии. Доставка товара до склада ТЭК Деловые Линии в г Екатеринбург осуществляется за счет ООО «ТопМеханикс».

Похожие товары