г. Екатеринбург, ул.Волгоградская, 193, офис 408 (4 этаж)
Пн-Пт: 09:00 - 18:00
Заказать звонок

SNCD228

Наличие: Под заказ

Цена по запросу


Технические характеристики

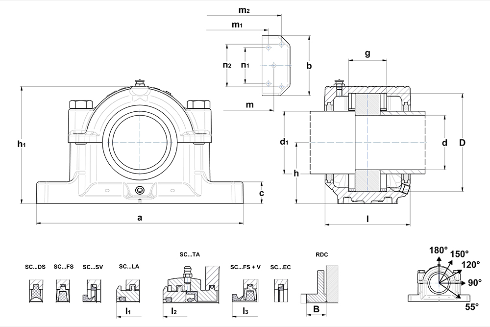
a
500 мм
C
50 мм
D1
35 мм
d1
155 мм
d2
26 мм
G
98 мм
h
150 мм
h1
302 мм
l
205 мм
l1
221 мм
l2
285 мм
l3
241
m
420 мм
m1
400 мм
m2
458 мм
m3
327 мм
N1
92 мм
n2
108 мм
P 0°
225 000 даН
P 120°
85 500 даН
P 150°
77 400 даН
P 180°
95 400 даН
P 55°
190 800 даН
SNCD228-528
22228
вес корпуса
44,3 кг
Габариты (мм)_d
140
диаметр штифта
8 мм
Изначальное количество смазки
2 000 ccm
Исполнение с V-образным кольцом
V160A
Используемые подшипники_Подшипник
23228
Масса (кг)
44,3
Материал корпуса
Ковкая сталь
Подшипник
23228
Смазывание
Смазка
Торцевая крышка EC
SC228-528EC
уплотнение DS
SC 228 DS
уплотнение FS
SC 228 FS
уплотнение LA
SC 228 LA
уплотнение SV
SC 228 SV
уплотнение TA
SC 228 TA
B
22 мм
D
250 мм
b
150 мм
d
140 мм

Оплата заказа

Оплата осуществляется безналичным путем на основании выставленного счета.


Доставка товара

По России доставка в основном осуществляется ТЭК Деловые Линии. Доставка товара до склада ТЭК Деловые Линии в г Екатеринбург осуществляется за счет ООО «ТопМеханикс».

Похожие товары