г. Екатеринбург, ул.Волгоградская, 193, офис 408 (4 этаж)
Пн-Пт: 09:00 - 18:00
Заказать звонок

ZLG.316.AA

Наличие: Под заказ

Цена по запросу


Технические характеристики

6316 C3
6316 C3
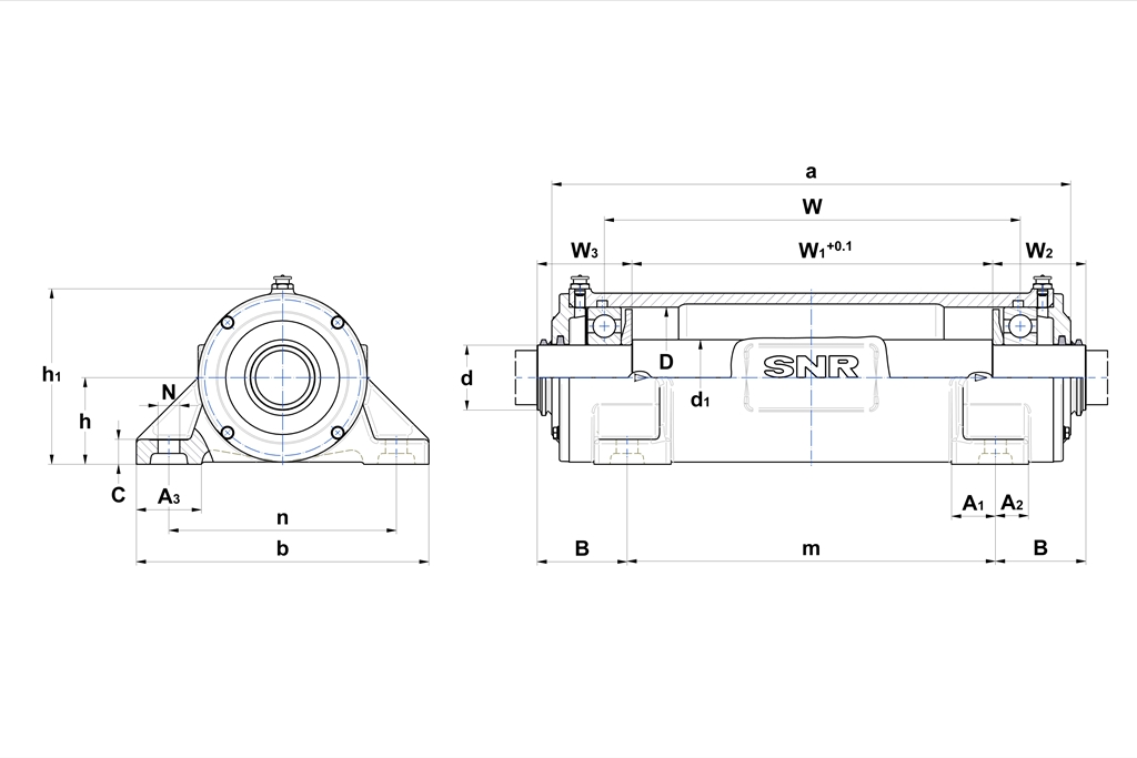
a
585 мм
A1
50 мм
A2
40 мм
A3
70 мм
C
30 мм
d1
95 мм
h
112 мм
h1
220 мм
m
420 мм
n
260 мм
O-образное кольцо (опционально)
170x7
W
468 мм
W1
405 мм
W2
104 мм
Болты крышки
M8x25
вес корпуса
56 кг
Габариты (мм)_d
80
Изначальное количество смазки для каждой стороны
590 ccm
Используемые подшипники_Подшипник
6316 C3
Масса (кг)
56
Материал корпуса
Серый чугун
Подшипник
6316 C3
рекомендованное усилие для болтов крышек
17 N*m
рекомендованное усилие для фиксирующих болтов
150 N*m
Смазывание
Смазка
Фиксирующие болты (G)
M16
B
98 мм
D
170 мм
b
330 мм
d
80 мм

Оплата заказа

Оплата осуществляется безналичным путем на основании выставленного счета.


Доставка товара

По России доставка в основном осуществляется ТЭК Деловые Линии. Доставка товара до склада ТЭК Деловые Линии в г Екатеринбург осуществляется за счет ООО «ТопМеханикс».

Похожие товары