г. Екатеринбург, ул.Волгоградская, 193, офис 408 (4 этаж)
Пн-Пт: 09:00 - 18:00
Заказать звонок

SNCD320

Наличие: Под заказ

Цена по запросу


Технические характеристики

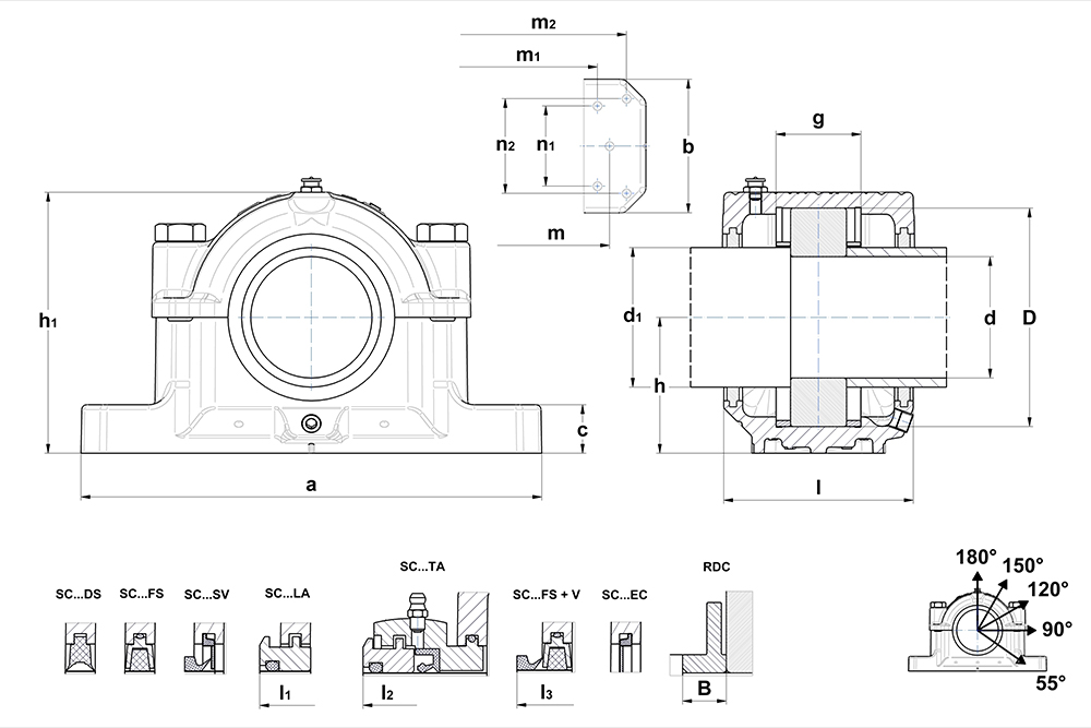
a
410 мм
C
45 мм
D1
26 мм
d1
115 мм
d2
18 мм
G
86 мм
h
140 мм
h1
271 мм
l
185 мм
l1
200 мм
l2
256 мм
l3
216
m
350 мм
m1
330 мм
m2
378 мм
m3
282 мм
N1
74 мм
n2
88 мм
P 0°
171 000 даН
P 120°
63 900 даН
P 150°
57 600 даН
P 180°
75 600 даН
P 55°
144 000 даН
SNCD524-620
1320
вес корпуса
30,8 кг
Габариты (мм)_d
100
диаметр штифта
8 мм
Изначальное количество смазки
1 400 ccm
Исполнение с V-образным кольцом
V120A
Используемые подшипники_Подшипник
22320
Масса (кг)
30,8
Материал корпуса
Ковкая сталь
Подшипник
22320
Смазывание
Смазка
Торцевая крышка EC
SC524-620EC
уплотнение DS
SC 320 DS
уплотнение FS
SC 320 FS
уплотнение LA
SC 320 LA
уплотнение SV
SC 320 SV
уплотнение TA
SC 320 TA
B
24 мм
D
215 мм
b
120 мм
d
100 мм

Оплата заказа

Оплата осуществляется безналичным путем на основании выставленного счета.


Доставка товара

По России доставка в основном осуществляется ТЭК Деловые Линии. Доставка товара до склада ТЭК Деловые Линии в г Екатеринбург осуществляется за счет ООО «ТопМеханикс».

Похожие товары