г. Екатеринбург, ул.Волгоградская, 193, офис 408 (4 этаж)
Пн-Пт: 09:00 - 18:00
Заказать звонок

SNCD226

Наличие: Под заказ

Цена по запросу


Технические характеристики

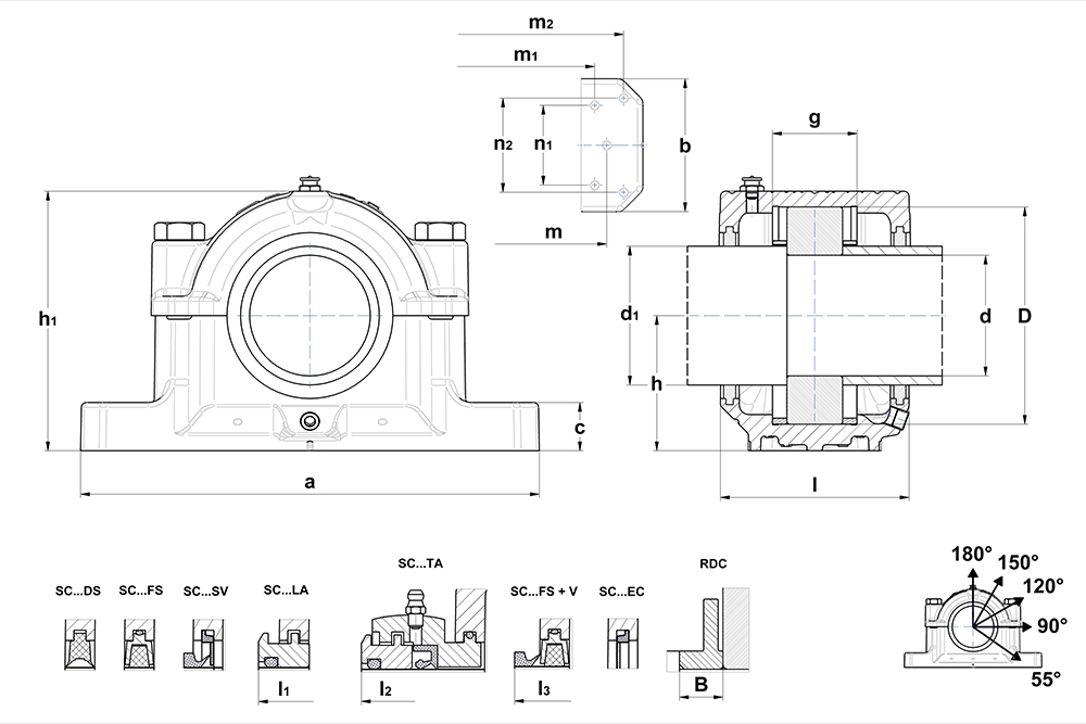
a
445 мм
C
50 мм
D1
28 мм
d1
145 мм
d2
22 мм
G
90 мм
h
150 мм
h1
290 мм
l
190 мм
l1
201 мм
l2
261 мм
l3
221
m
380 мм
m1
370 мм
m2
414 мм
m3
302 мм
N1
80 мм
n2
92 мм
P 0°
190 800 даН
P 120°
73 800 даН
P 150°
64 800 даН
P 180°
81 000 даН
P 55°
162 000 даН
SNCD226-526
22226
Габариты (мм)_d
130
диаметр штифта
8 мм
Изначальное количество смазки
1 600 ccm
Исполнение с V-образным кольцом
V150A
Используемые подшипники_Подшипник
23226
Материал корпуса
Ковкая сталь
Подшипник
23226
Смазывание
Смазка
Торцевая крышка EC
SC226-526EC
уплотнение DS
SC 226 DS
уплотнение FS
SC 226 FS
уплотнение LA
SC 226 LA
уплотнение SV
SC 226 SV
уплотнение TA
SC 226 TA
B
22 мм
D
230 мм
b
130 мм
d
130 мм

Оплата заказа

Оплата осуществляется безналичным путем на основании выставленного счета.


Доставка товара

По России доставка в основном осуществляется ТЭК Деловые Линии. Доставка товара до склада ТЭК Деловые Линии в г Екатеринбург осуществляется за счет ООО «ТопМеханикс».

Похожие товары