г. Екатеринбург, ул.Волгоградская, 193, офис 408 (4 этаж)
Пн-Пт: 09:00 - 18:00
Заказать звонок

SNOE.228.DCAL

Наличие: Под заказ

Цена по запросу


Технические характеристики

22228
KM 28
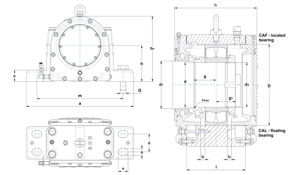
a
570 мм
C
65 мм
d1
150 мм
D3
M140x2
G
73 мм
g1
58 мм
h
190 мм
h1
355 мм
l
180 мм
l1
269 мм
l2
15 мм
m
460 мм
n
100 мм
r max
2,5 мм
u
36 мм
v
50 мм
вес корпуса
113 кг
Габариты (мм)_d
140
Количество масла
3,7 см³
Масса (кг)
113
Материал корпуса
Ковкая сталь
рекомендованное усилие для соединительных болтов
260 N*m
рекомендованное усилие для фиксирующих болтов
870 N*m
Рым-болты
M16
Смазывание
Масло
Соединительные болты
M20
Уровень масла
55 мм
Фиксирующие болты (G)
M30
D
250 мм
b
175 мм
d
140 мм

Оплата заказа

Оплата осуществляется безналичным путем на основании выставленного счета.


Доставка товара

По России доставка в основном осуществляется ТЭК Деловые Линии. Доставка товара до склада ТЭК Деловые Линии в г Екатеринбург осуществляется за счет ООО «ТопМеханикс».

Похожие товары