г. Екатеринбург, ул.Волгоградская, 193, офис 408 (4 этаж)
Пн-Пт: 09:00 - 18:00
Заказать звонок

ZLG.312.AA

Наличие: Под заказ

Цена по запросу


Технические характеристики

6312 C3
6312 C3
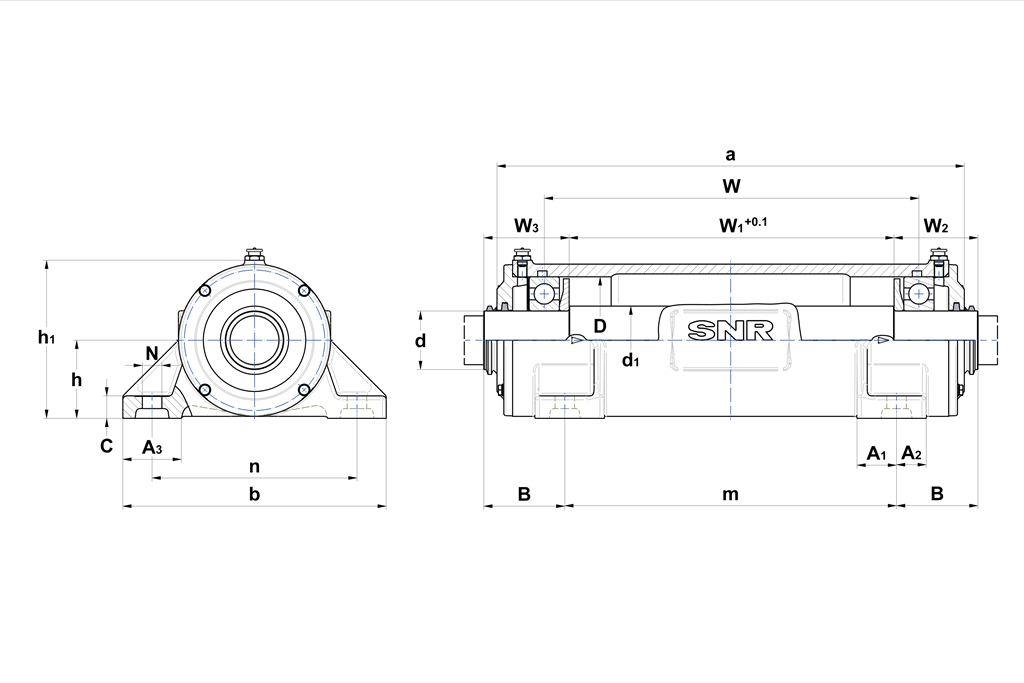
a
479 мм
A1
40 мм
A2
30 мм
A3
60 мм
C
23 мм
d1
70 мм
h
80 мм
h1
162 мм
m
340 мм
n
210 мм
O-образное кольцо (опционально)
130x7
W
384 мм
W1
333 мм
W2
84 мм
Болты крышки
M6x25
вес корпуса
30 кг
Габариты (мм)_d
60
Изначальное количество смазки для каждой стороны
243 ccm
Используемые подшипники_Подшипник
6312 C3
Масса (кг)
30
Материал корпуса
Серый чугун
Подшипник
6312 C3
рекомендованное усилие для болтов крышек
7 N*m
рекомендованное усилие для фиксирующих болтов
150 N*m
Смазывание
Смазка
Фиксирующие болты (G)
M16
B
81,5 мм
D
130 мм
b
270 мм
d
60 мм

Оплата заказа

Оплата осуществляется безналичным путем на основании выставленного счета.


Доставка товара

По России доставка в основном осуществляется ТЭК Деловые Линии. Доставка товара до склада ТЭК Деловые Линии в г Екатеринбург осуществляется за счет ООО «ТопМеханикс».

Похожие товары