г. Екатеринбург, ул.Волгоградская, 193, офис 408 (4 этаж)
Пн-Пт: 09:00 - 18:00
Заказать звонок

ZLOE 315/1 B

Наличие: Под заказ

Цена по запросу


Технические характеристики

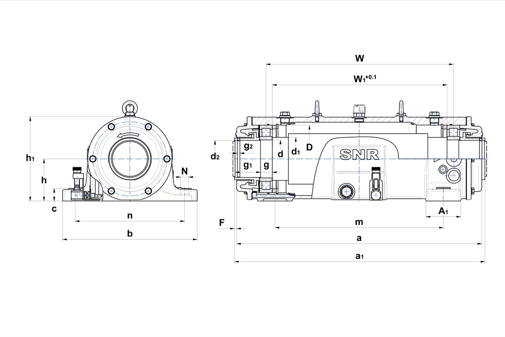
a
582,5 мм
A1
595 мм
C
30 мм
d1
90 мм
d2
72 мм
F
5 мм
G
35 мм
g1
49,5 мм
g2
6 мм
h
100 мм
h1
200 мм
m
400 мм
n
260 мм
NU 315 C3
6315 C3
W
445 мм
W1
408 мм
Болты крышки
M8x30
вес корпуса
75 кг
Габариты (мм)_d
75
Используемые подшипники_Подшипник
6315 C3
Количество масла
0,8 см³
Масса (кг)
75
Материал корпуса
Серый чугун
Подшипник
6315 C3
рекомендованное усилие для болтов крышек
17 N*m
рекомендованное усилие для фиксирующих болтов
150 N*m
Смазывание
Масло
Уровень масла
34 мм
Фиксирующие болты (G)
M16
D
160 мм
b
320 мм
d
75 мм

Оплата заказа

Оплата осуществляется безналичным путем на основании выставленного счета.


Доставка товара

По России доставка в основном осуществляется ТЭК Деловые Линии. Доставка товара до склада ТЭК Деловые Линии в г Екатеринбург осуществляется за счет ООО «ТопМеханикс».

Похожие товары