г. Екатеринбург, ул.Волгоградская, 193, офис 408 (4 этаж)
Пн-Пт: 09:00 - 18:00
Заказать звонок

DLG 322 AF

Наличие: Под заказ

Цена по запросу


Технические характеристики

6322 C3
2x 7322 BG
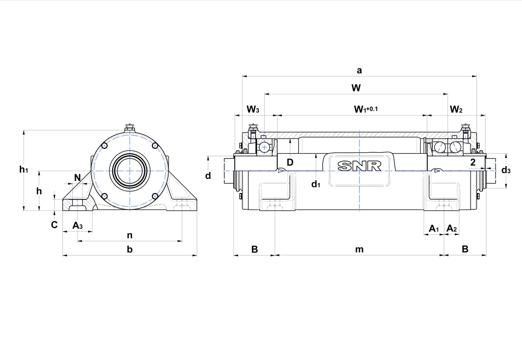
a
678 мм
A1
70 мм
A2
60 мм
A3
100 мм
C
40 мм
d1
130 мм
D3
130 мм
h
150 мм
h1
296 мм
m
520 мм
n
380 мм
W
552 мм
W1
454 мм
W2
152,5 мм
W3
106 мм
Болты крышки
M8x25
вес корпуса
110 кг
Габариты (мм)_d
110
Используемые подшипники_Подшипник
2x 7322 BG
Масса (кг)
110
Материал корпуса
Серый чугун
Подшипник
2x 7322 BG
рекомендованное усилие для болтов крышек
17 N*m
рекомендованное усилие для фиксирующих болтов
500 N*m
Смазывание
Смазка
Фиксирующие болты (G)
M24
B
96,5 мм
D
240 мм
b
450 мм
d
110 мм

Оплата заказа

Оплата осуществляется безналичным путем на основании выставленного счета.


Доставка товара

По России доставка в основном осуществляется ТЭК Деловые Линии. Доставка товара до склада ТЭК Деловые Линии в г Екатеринбург осуществляется за счет ООО «ТопМеханикс».

Похожие товары