г. Екатеринбург, ул.Волгоградская, 193, офис 408 (4 этаж)
Пн-Пт: 09:00 - 18:00
Заказать звонок

DLG 324 AD

Наличие: Под заказ

Цена по запросу


Технические характеристики

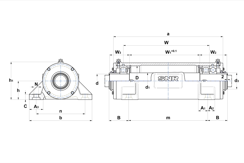
a
705 мм
A1
78 мм
A2
60 мм
A3
115 мм
C
40 мм
d1
140 мм
D3
140 мм
h
160 мм
h1
320 мм
m
540 мм
n
410 мм
NU 324 EG15 C3
NU 324 EG15 C3 + 6324 C3
W
575 мм
W1
469,5 мм
W2
162,5 мм
W3
107,5 мм
Болты крышки
M10x30
вес корпуса
150 кг
Габариты (мм)_d
120
Используемые подшипники_Подшипник
NU 324 EG15 C3 + 632
Масса (кг)
150
Материал корпуса
Серый чугун
Подшипник
NU 324 EG15 C3 + 632
рекомендованное усилие для болтов крышек
35 N*m
рекомендованное усилие для фиксирующих болтов
1 005 N*m
Смазывание
Смазка
Фиксирующие болты (G)
M30
B
100 мм
D
260 мм
b
500 мм
d
120 мм

Оплата заказа

Оплата осуществляется безналичным путем на основании выставленного счета.


Доставка товара

По России доставка в основном осуществляется ТЭК Деловые Линии. Доставка товара до склада ТЭК Деловые Линии в г Екатеринбург осуществляется за счет ООО «ТопМеханикс».

Похожие товары